VORTEILE
MODELLE
für Küchenabfälle und Speisereste
Ob 100 oder mehr als 10.000 Verpflegungseinheiten pro Tag – wir haben die passende Lösung für Ihre Bedürfnisse mit dem BioMaster®-Speiserestesystem.
High End in jeder Hinsicht: Unsere effizienteste Eingabestation für alle Arten von Küchen- und Speiseresten. Ein Standardprogramm und ein Programm für überwiegend trockene Speisereste sind die optimale Basis für die effiziente Zerkleinerung und anschließende Lagerung von Speiseresten.
Die innovative Homogenisierungstechnik von MEIKO bietet Prozesssicherheit bei minimalem Prozesswasserverbrauch. Gegenüber dem BioMaster® 4 Plus verfügt der BioMaster® 4 Highline über ein zweites Verarbeitungsprogramm welches auch sortenreine Reste problemlos verarbeitet. Eine zusätzliche Handbrause erleichtert die Tägliche Reinigung.
Unser BioMaster® 4 Plus kommt im selben Chassis wie der BioMaster® 4 Highline: 150 mm Bodenfreiheit, sockelbaufähig, leicht zu reinigen, normgerechte Wasserversorgung, Anbindung an Tische und Hygienestationen – und doch ist dieses Gerät eine Klasse für sich.
Er ist die perfekte Wahl für mittlere bis große Gewerbeküchen. Vom Frühstück bis zum Abendessen werden alle Küchenabfälle und Speisereste in nur 90 Sekunden verarbeitet – natürlich abfallkonform. Kurz: Kraft, Zuverlässigkeit und Design unter einer Haube.
Der Neuzugang der BioMaster®-Serie: Der BioMaster®-Flex vereint die Vorteile der BioMaster®-Serie in einem flexiblen Gesamtpaket.
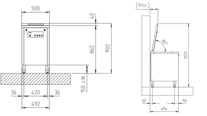
Mit nur 500 mm Breite ist er extra kompakt und enorm flexibel in der Aufstellung. So eignet er sich besonders gut für Nachrüstungen oder Küchen mit begrenzten Platzverhältnissen.







